MSXYP33-25

MSXYP33-25
MSXYP33-25

直線運動單元,


  • Can be used to mount one unit to another to create a Multi axis assembly

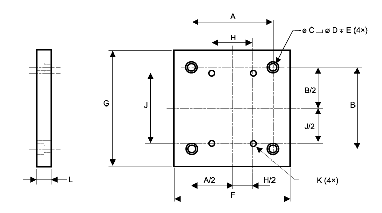
Dimensions

dimensions
尺寸價值
[A]30 毫米
[B]30 毫米
[C]5.5 毫米
[D]9 毫米
[E]6 毫米
[F]60 毫米
[G]60 毫米
[H]42 毫米
[J]42 毫米
[K]M3 x 0.5 - 6H 
[L]12.7 毫米

Specifications

Specifications價值
Use withMS33 to MS25 

Get Quote

*Please fill out the information below so we can best assist you: